| Stan dostępności: | |
|---|---|
| Ilość: | |
J21S
WORLD
-BiG BLAKCJA PIĘKNACJA
-Cyrcles Blanking
-Can pracuje z Zig Zag Feeder
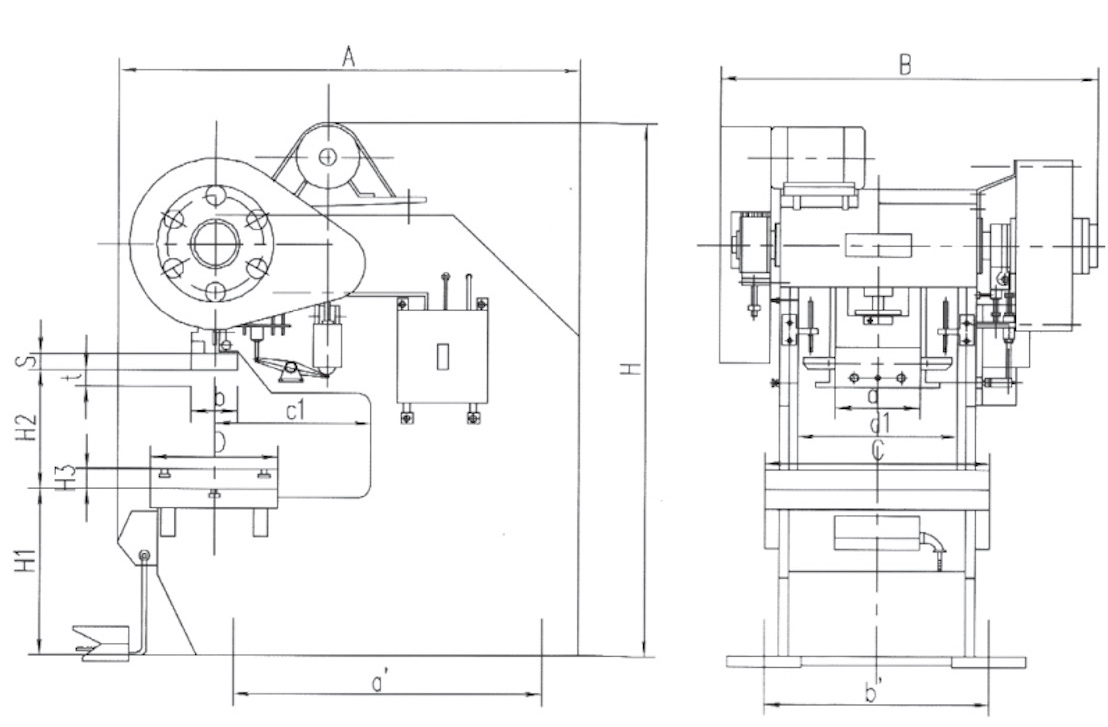
Głębokość gardła można dostosować zgodnie z arkuszem cewki i szerokości stalowej płyty. Ciało spawane ze stalową płytą ma wyższą wytrzymałość i sztywność. Ciało typu mono blokowego jest znacznie lepsze niż śruby typu ekononomicznego stałego korpusu.
Głębokie gardło typu korby może wyposażyć w opcjonalne sprzęgło pneumatyczne. Bardziej bezpieczna i wygodna operacja.
| Przedmiot | Jednostka | J21S-10 | J21S-16 | J21S-25 | J21S-40 | J21S-63 | J21S-80 | J21S-100 | |
| Wydajność nominalna | Kn | 100 | 160 | 250 | 400 | 630 | 800 | 1000 | |
| Długość skoku zjeżdżalnie | mm | 45 | 55 | 65 | 90 | 110 | 120 | 140 | |
| Prędkość skoku | czasy/minutę | 145 | 125 | 55 | 45 | 40 | 38 | 38 | |
| Max. Die Zamknij wysokość | mm | 180 | 220 | 270 | 320 | 390 | 440 | 480 | |
| Regulacja wysokości zamknięcia die | mm | 35 | 45 | 55 | 65 | 80 | 90 | 100 | |
| Głębokość gardła | mm | 300 | 500 | 600 | 710 | 800 | 800 | 900 | |
| Dystans kolumn | mm | 208 | 278 | 330 | 470 | 590 | 600 | 720 | |
| Przesuń dolny rozmiar | L-R | mm | 170 | 200 | 250 | 300 | 400 | 430 | 540 |
| PEŁNE WYŻYWIENIE | mm | 150 | 180 | 220 | 260 | 360 | 360 | 480 | |
| Rozmiar otworu uchwytu | Średnica | mm | 30 | 40 | 40 | 50 | 50 | 60 | 60 |
| Głębokość | mm | 55 | 60 | 60 | 70 | 70 | 75 | 75 | |
| Rozmiar stołów roboczych | L-R | mm | 370 | 450 | 560 | 700 | 860 | 950 | 1080 |
| PEŁNE WYŻYWIENIE | mm | 240 | 300 | 370 | 460 | 570 | 650 | 710 | |
| Grubość stołowego | mm | 35 | 40 | 50 | 65 | 80 | 100 | 120 | |
| Średnica otworu stołowego | mm | 80 | 100 | 120 | 150 | 180 | 200 | 220 | |
| Powierzchnia stołowa do odległości uziemienia | mm | 730 | 750 | 800 | 835 | 860 | 850 | 850 | |
| Całkowite wymiary | PEŁNE WYŻYWIENIE | mm | 835 | 1250 | 1835 | 2338 | 2748 | 2720 | 2815 |
| L-R | mm | 665 | 850 | 950 | 1335 | 1500 | 1715 | 1790 | |
| Wzrost | mm | 1763 | 2030 | 2215 | 2660 | 2828 | 3290 | 3625 | |
| Moc silnika elektrycznego | KW | 1.1 | 1.5 | 2.2 | 5.5 | 7.5 | 7.5 | 11 | |
| Waga (przybliżona) | KG | 950 | 1750 | 2750 | 5900 | 7600 | 9800 | 10080 | |
-BiG BLAKCJA PIĘKNACJA
-Cyrcles Blanking
-Can pracuje z Zig Zag Feeder
Głębokość gardła można dostosować zgodnie z arkuszem cewki i szerokości stalowej płyty. Ciało spawane ze stalową płytą ma wyższą wytrzymałość i sztywność. Ciało typu mono blokowego jest znacznie lepsze niż śruby typu ekononomicznego stałego korpusu.
Głębokie gardło typu korby może wyposażyć w opcjonalne sprzęgło pneumatyczne. Bardziej bezpieczna i wygodna operacja.
| Przedmiot | Jednostka | J21S-10 | J21S-16 | J21S-25 | J21S-40 | J21S-63 | J21S-80 | J21S-100 | |
| Wydajność nominalna | Kn | 100 | 160 | 250 | 400 | 630 | 800 | 1000 | |
| Długość skoku zjeżdżalnie | mm | 45 | 55 | 65 | 90 | 110 | 120 | 140 | |
| Prędkość skoku | czasy/minutę | 145 | 125 | 55 | 45 | 40 | 38 | 38 | |
| Max. Die Zamknij wysokość | mm | 180 | 220 | 270 | 320 | 390 | 440 | 480 | |
| Regulacja wysokości zamknięcia die | mm | 35 | 45 | 55 | 65 | 80 | 90 | 100 | |
| Głębokość gardła | mm | 300 | 500 | 600 | 710 | 800 | 800 | 900 | |
| Dystans kolumn | mm | 208 | 278 | 330 | 470 | 590 | 600 | 720 | |
| Przesuń dolny rozmiar | L-R | mm | 170 | 200 | 250 | 300 | 400 | 430 | 540 |
| PEŁNE WYŻYWIENIE | mm | 150 | 180 | 220 | 260 | 360 | 360 | 480 | |
| Rozmiar otworu uchwytu | Średnica | mm | 30 | 40 | 40 | 50 | 50 | 60 | 60 |
| Głębokość | mm | 55 | 60 | 60 | 70 | 70 | 75 | 75 | |
| Rozmiar stołów roboczych | L-R | mm | 370 | 450 | 560 | 700 | 860 | 950 | 1080 |
| PEŁNE WYŻYWIENIE | mm | 240 | 300 | 370 | 460 | 570 | 650 | 710 | |
| Grubość stołowego | mm | 35 | 40 | 50 | 65 | 80 | 100 | 120 | |
| Średnica otworu stołowego | mm | 80 | 100 | 120 | 150 | 180 | 200 | 220 | |
| Powierzchnia stołowa do odległości uziemienia | mm | 730 | 750 | 800 | 835 | 860 | 850 | 850 | |
| Całkowite wymiary | PEŁNE WYŻYWIENIE | mm | 835 | 1250 | 1835 | 2338 | 2748 | 2720 | 2815 |
| L-R | mm | 665 | 850 | 950 | 1335 | 1500 | 1715 | 1790 | |
| Wzrost | mm | 1763 | 2030 | 2215 | 2660 | 2828 | 3290 | 3625 | |
| Moc silnika elektrycznego | KW | 1.1 | 1.5 | 2.2 | 5.5 | 7.5 | 7.5 | 11 | |
| Waga (przybliżona) | KG | 950 | 1750 | 2750 | 5900 | 7600 | 9800 | 10080 | |
0086 21 62828320
0086 13817120700
wang@worldpowerpress.com