Aktualności
bieżąca lokalizacja: Dom » Aktualności » Centrum Wiedzy » Jak dopasować elektryczne źródło zasilania maszyn prasowych

Jak dopasować elektryczne źródło zasilania maszyn prasowych

Liczba wyświetleń:0     Autor:Edytuj tę stronę     Wysłany: 2022-07-01      Źródło:Ta strona

Jak dopasować elektryczne źródło zasilania maszyn prasowych

Maszyny prasowe zwykle przyjmują 3 fazy źródła energii elektrycznej. Ten artykuł ma przedstawić szczegóły źródła zasilaniaMaszyny prasowe. Jako przykłady używamy światowych maszyn prasowych.


Przykład:World Brand C Frame Single Crank Press, JH21-160


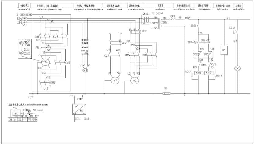
Na prasie znajdują się trzy elementy silniki elektryczne. Główny silnik do napędu systemu przekładni, płaski silnik hamulcowy do regulacji szkiełki i mały silnik do elektrycznej pompy tłuszczu. Wejściowe źródło zasilania elektrycznego łączy silnik główny i bezpośrednio wyreguluj silnik. Zasilanie wejściowe łączy silnik pompy tłuszczu przez transformator. Transformator przenosi napięcie mocy wejściowej do 220 V.

Schemat elektryczny 2

Różne kraje mają różne standardy napięcia przemysłowego. 220 V, 380 V, 400 V, 415 V, 440 V i 600 V. Maszyny prasowe światowej marki są wytwarzane w Chinach o standardowym napięciu jako 380 V. Kupujący potwierdzi lokalne napięcie zasilania przed złożeniem zamówienia z światowymi maszynami dla maszyn prasowych. World Machinery może odpowiednio zmienić standard napięcia maszyn prasowych. Należy zmienić napięcie silnika głównego silnika i szkiełki. Należy również zmienić standard napięcia falownika częstotliwości, jeśli kupujący potrzebuje opcjonalnego falownika. Napięcie silnika pompy tłuszczu nie wymaga zmiany, ponieważ wejście jest przez transformator.

Power Press Połączenia zasilania elektrycznego-2

Podłącz przewody 3 faz do L1, L2 i L3. PE jest na podstawie bezpieczeństwa. Włącz główny silnik, sprawdź kierunek obrotu koła zamachowego. Kierunek powinien być zgodnie z ruchem wskazówek zegara, jak strzałka wskazuje na ochronie bezpieczeństwa koła zamachowego. Jeśli kierunek jest zły, wystarczy wymienić dwa zaciski L1, L2 i L3.


Obecny standard przewodów

Obecne amper są zgodnie z mocą. Poniższa tabela dotyczy odniesienia.

Power (KW)

Napięcie (v)

Bieżący (a)

0.75

380

2

1.5

380

3.6

2.2

380

5

3

380

6.6

4

380

8.5

5.5

380

11.5

7.5

380

15.5

11

380

22

15

380

30

18.5

380

37

22

380

44

30

380

60

37

380

72

45

380

85

55

380

105

75

380

138

90

380

160


Bądź w kontakcie

  0086 21 62828320

  0086 13817120700

         0086 13817590728

  wang@worldpowerpress.com

         info@worldpowerpress.com

SZYBKIE LINKI

PRODUKTY

Copyright © SHANGHAI Yingxin WORLD MACHINERY CO., LTD. Wszelkie prawa zastrzeżone. Ilość Registeration www: 沪 ICP 备 09030720 号 -2
Technologia przezleadong/Sitemap